SmartGen HGM8110CAN Low Temperature Controller Genset Controller
Technical Parameters:
Display VFD
Operation Panel Rubber
Language Chinese & EnglishChinese & English & Other
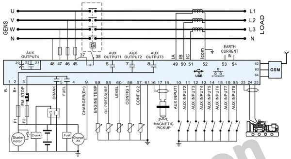
Digital Input 8
Relay Output 8
Analogue Input 5
AC System 1P2W/2P3W/3P3W/3P4W
Alternator Frequency 50/60Hz
kW/Amp Detecting & Display ●
Monitor Interface RS485
Programmable Interface USB/RS485
CANBUS(1939) ●
RTC & Event Log ●
Scheduled Start Genset ●
Maintenance ●
ULP ●
SMS ●
Ethernet ●
DC Supply DC(8~35)V
Case Dimensions(mm) 242*186*53
Panel Cutout(mm) 214*160
Operating Temp. (-40~+70)℃
Product Overview:
HGM8100N series genset controllers are especially designed for extremely high/low temperature environment (-40~+70)°C. The controllers can operate reliability in extreme temperature conditions with the help of VFD display or LCD and the components that resist extreme temperature. Controller has strong ability of anti-electromagnetic interference, can be used under complex electromagnetic interference environment. It is easy to maintain and upgrade due to the plug-in terminal. All display information is Chinese (also can be set as English or other languages).
HGM8100N series genset controllers integrate digitization, intelligentization and network technology which are used for genset automation and monitor control system of single unit to achieve automatic start/stop, data measure, alarm protection and "three remote" functions(remote control, remote measuring and remote communication).
HGM8100N series genset controllers adopt 32-bit micro-processor technology with precision parameters measuring, fixed value adjustment, time setting and set value adjusting and etc. Majority parameters can be configured from front panel, and all parameters can be configured by PC via RS485 interface or ETHERNET to adjust and monitor. It can be widely used in all types of automatic genset control system with compact structure, advanced circuits, simple connections and high reliability.
HGM8110N: used for single automation systems. Control genset start/stop through remote signals control.
HGM8120N: AMF (Auto Mains Failure), updates based on HGM8110N, moreover, has mains electric quantity monitoring and mains/generator automatic transfer control function, especially for automatic system composed by generator and mains.
1. With ARM-based 32-bit SCM, highly integrated hardware, new reliability level.
2. Vacuum fluorescent display (VFD) or LCD display(able to control heating according to the environment temperature), selectable Chinese/English interface which can be chosen at the site, making commissioning convenience for factory personnel.
3. LCD adopts hard screen acrylic material with good wear-resisting and scratch-resisting.
4. Silicone panel and pushbuttons can be used in extreme temperature environment.
5. RS485 communication interface enable "Three remote functions" (remote control, remote measuring and remote communication) according to MODBUS protocol.
6. Ethernet monitoring can be realized via ETHERNET communication interface (need controller with Ethernet interface).
7. Equipped with SMS (Short Message Service) function. When genset is alarming, controller can send short messages via SMS automatically to max. 5 telephone numbers. Besides, generator status can be controlled and checked using SMS.
8. Equipped with CANBUS port and can communicate with J1939 genset. Not only can monitor frequently-used data (such as water temperature, oil pressure, speed, fuel consumption and so on) of ECU machine, but also control starting up, shutdown , raising speed and speed droop via CANBUS port (need controller with CANBUS interface).
9. Suitable for 3-phase 4-wire, 3-phase 3-wire, single phase 2-wire, and 2-phase 3-wire systems with voltage 120/240V and frequency 50/60Hz.
10. Collects and shows 3-phase voltage, current, power parameter and frequency of generator or mains.
11. For Mains, controller has over and under voltage, over and under frequency, loss of phase and phase sequence wrong detection functions; for generator, controller has over and under voltage, over and under frequency, loss of phase, phase sequence wrong, over and reverse power, over current functions.
12. 3 fixed analog sensors (temperature, oil pressure and liquid level).
13. 2 configurable sensors can be set as sensor of temperature, oil pressure or fuel level.
14. Precision measure and display parameters about Engine.
15. Protection: automatic start/stop of the gen-set, ATS(Auto Transfer Switch) control with perfect fault indication and protection function.
16. All output ports are relay-out;
17. Parameter setting: parameters can be modified and stored in internal FLASH memory and cannot be lost even in case of power outage; most of them can be adjusted using front panel of the controller and all of them can be modified using PC via USB, RS485 or ETHERNET ports.
18. More kinds of curves of temperature, oil pressure, fuel level can be used directly and users can define the sensor curves by themselves.
19. Multiple crank disconnect conditions (speed sensor, oil pressure, generator frequency) are optional.
20. Widely power supply range DC(8~35)V, suitable to different starting battery voltage environment;
21. Event log, real-time clock, scheduled start & stop generator (can be set as start genset once a day/week/month whether with load or not).
22. PLC (Programmable Logic Controller) function. Users can use graphical programming to achieve specific functions.
23. Can be used on pumping units and as an indicating instrument (indicate and alarm are enable only, relay is inhibited).
24. With maintenance function. Actions (warning, shutdown or trip and stop) can be set when maintenance time out.
25. All parameters used digital adjustment, instead of conventional analog modulation with normal potentiometer, more reliability and stability;
26. Waterproof security level IP55 due to rubber seal installed between the controller enclosure and panel fascia;
27. Metal fixing clips enable perfect in high temperature environment;
28. Modular design, anti-flaming ABS plastic enclosure, pluggable connection terminals and embedded installation way; compact structure with easy mounting.
29. With accumulative running A、B and accumulative power A、B function, users can eliminate log event and re-accumulating, thus provide convenient for users statistic.